Uvod izdelka
GB Heavy Rail je težko železniško jeklo za železnice, proizvedene v skladu z nacionalnim standardom GB. Njegov proizvodni proces vključuje sodobno metalurško tehnologijo in natančno obdelavo tehnologije. V procesu izdelave jekla se uporablja napredna električna ločna peč ali pretvorbena tehnologija jekla, v kombinaciji z rafiniranjem LF peči, razpadom vakuuma VD in drugih procesov za izdelavo visokokakovostnega staljenega jekla. Potem ko je staljeno jeklo vrženo v gredico, primerno za valjanje z neprekinjenim litinskim strojem, vstopi v vročo proizvodno linijo in se postopoma oblikuje v tirnico skozi več valjanih prehodov. Za izboljšanje celovite zmogljivosti težke tirnice se za prilagajanje organizacijske strukture in mehanskih lastnosti jekla uporabljajo postopki toplotne obdelave, kot sta normalizacija na spletu in brez povezave. Končana težka tirnica je podvržena strogim pregledom kakovosti, vključno z ultrazvočnim odkrivanjem napak, odkrivanjem napak magnetnih delcev, testiranjem trdote itd., Da se zagotovi odlična moč, žilavost in odpornost na obrabo, lahko ustreza zahtevam uporabe železniškega prevoza v različnih delovnih pogojih in je ključni infrastrukturni material, da se zagotovi varno delovanje železnice.
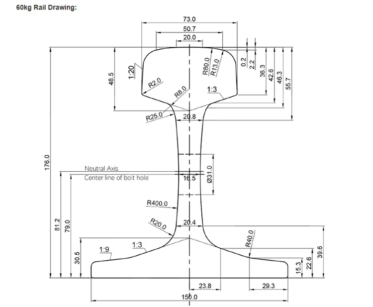
TB\/T 2344 je industrijski standard za železniške tirnice. 60 kg težkih tirnic so ena od običajnih tipov. Običajni materiali vključujejo U71MN, U75V itd. Celovita zmogljivost Rails se izboljša z dodajanjem elementov zlitine, kot sta mangan in vanadij.

Specifikacije izdelka

Uporaba izdelkov
Široko se uporabljajo v železniških progah, težkih železnicah, mestnih železniških tranzitu itd. Težke železnice, kot so železnica Daqin, in linije podzemne železnice v mestih, kot sta Peking in Šanghaj, uporabljajo 60 kg težkih tirnic, da izpolnjujejo zahteve različnih železniških prevozov za zmogljivost in stabilnost.


Gnee Rail je od svoje ustanove globoko vključena na območje zunanje trgovine GB Heavy Rail in se je na trgu pojavila s prilagodljivimi poslovnimi strategijami in kakovostnimi storitvami. Sprejemamo model delovanja svetlobe, se osredotočamo na temeljne poslovne povezave in dosežemo hiter odziv na povpraševanje na trgu z učinkovitim upravljanjem dobavne verige. Sodelujte s številnimi jeklarji, da raziščete posebne izdelke in strankam nudite različne možnosti težkih železnic. Gnee se osredotoča na izkušnjo strank in zažene "ena na ena" ekskluzivno storitev upravitelja računa, ki strankam nudi prilagojene storitve v celotnem postopku od predkomunikacije projekta do sledenja po prodaji. Vzpostavite prilagodljiv način plačila in kreditni sistem za lajšanje finančnega pritiska strank.







Priljubljena oznake: TB\/T 2344 60 kg železniško jeklo, Kitajska TB\/T 2344 60 kg proizvajalci železniških jekla, dobavitelji, tovarna






