tirnica UIC60je globalno standardizirana težka-železnica, ki se uporablja v-hitrostnih in težkih tovornih progah. Njegov robusten profil, ki tehta 60 kg na meter, s širino glave 74 mm, višino 172 mm in širino podnožja 150 mm zagotavlja-nosilnost, stabilnost tirnice in dolgo-vzdržljivost.
Dobavne dolžine so ključnega pomena za logistiko, ravnanje in namestitev, saj vplivajo na načrtovanje prevoza, zmogljivost žerjava in zahteve glede skladiščenja na mestu.
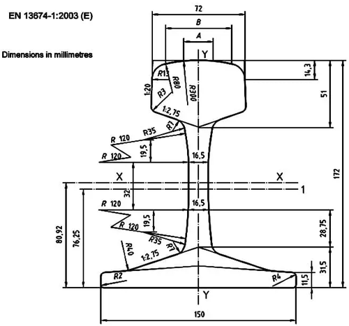
Dimenzije tirnice 60e1:

| Standard UIC860 | |||||||
| Velikost | Dimenzija | Teža (kg/m) | Material | Dolžina (m) | |||
| Glava (mm) | Višina (mm) | Osnova | Splet | ||||
| UIC54 | 70 | 159 | 140 | 16 | 54.43 | 900A/1100 | 12-25 |
| UIC60 | 72 | 172 | 150 | 16.5 | 60.21 | 900A/1100 | 12-25 |
GNEE ŽELEZNICAzagotavlja tirnice UIC60 skupaj z elastičnimi sponkami, osnovnimi ploščami in vijačnimi konicami, vse pripravljeno za prilagodljivo rokovanje in konfiguracije-specifične za projekt.
Kakšne so standardne dobavne dolžine za tirnico uic 60?
Tirnice UIC60 so običajno dobavljene v dolžinah od12 metrovdo25 metrovodvisno od projektnih zahtev, proizvodnih zmogljivosti in transportnih omejitev. Daljše tirnice zmanjšajo število spojev in zvarov, izboljšajo gladkost tirov in zmanjšajo potrebe po vzdrževanju.

- 12–18 m: Običajno za mestne ali regionalne proge z omejenim prevozom ali tesnimi omejitvami pri rokovanju.
- 18–25 m: Tipično za hitre-proge ali proge za težki tovor za zmanjšanje tirnih spojev in izboljšanje dolgoročne-operativne zanesljivosti.
Natančne dobavne dolžine so ključnega pomena za izbiro opreme za rokovanje,-načrtovanje skladiščenja na kraju samem in natančno varjenje.
GNEE ŽELEZNICAzagotavlja prilagodljive možnosti dolžine v tem razponu in ohranja strog nadzor nad naravnostjo in končno obdelavo. Tirnice je mogoče dobaviti z natančnimi tolerancami rezanja, kar zagotavlja doslednost med varjenjem in poravnavo na mestu.
Premisleki glede transporta in rokovanja
Dolžina tirnice neposredno vpliva na varnost prevoza in učinkovitost ravnanja. Daljše tirnice zahtevajo ustrezne dvižne točke, varno povezovanje in zaščito pred deformacijami med nakladanjem in razkladanjem. Brez ustreznih ukrepov za ravnanje se lahko tirnice upognejo, poškodujejo površino ali odstopajo od dimenzij.
- Metode povezovanja in pritrjevanja preprečujejo premikanje med transportom
- Končna zaščita zmanjša škodo zaradi udarca med nakladanjem
- Izračun teže (60 kg/m) podpira natančno načrtovanje žerjava in logistike

GNEE ŽELEZNICAuporablja okrepljene metode pakiranja, vključno s povezovanjem proti -koliziji in zaščitnimi končnimi obdelavami. Načrti nakladanja so urejeni glede na dolžino in težo tirnice, da se zmanjšajo tveganja pri rokovanju in ohrani celovitost tirnice med-pošiljanjem na dolge razdalje.
pogosta vprašanja
V1: Kakšne so standardne dobavne dolžine za tirnice UIC60?
O: Tirnice UIC60 so običajno dobavljene v dolžinah od 12 do 25 metrov, odvisno od transportnih pogojev in projektnih zahtev.
V2: Ali je mogoče prilagoditi dolžino tirnic?
O: Da, tirnice je mogoče razrezati na določene dolžine, da ustrezajo zahtevam glede namestitve in varjenja, hkrati pa ohranjajo natančnost dimenzij.
V3: Zakaj so pri nekaterih projektih prednostne daljše tirnice?
O: Daljše tirnice zmanjšajo število spojev, izboljšajo gladkost tirov, zmanjšajo obrabo in zmanjšajo dolgoročne-potrebe po vzdrževanju.
V4: Kako so dolge tirnice zaščitene med transportom?
O: Tirnice so združene, zavarovane in opremljene z zaščitnimi končnimi obdelavami, ki preprečujejo upogibanje in poškodbe površine.
V5: Ali dobavne dolžine vplivajo na učinkovitost namestitve?
O: Da, pravilna izbira dolžine skrajša čas varjenja, poenostavi poravnavo in izboljša splošno učinkovitost konstrukcije.
GNEE ŽELEZNICAdobavlja tirnice UIC60 v standardnih in zahtevanih dolžinah z doslednim nadzorom dimenzij in zanesljivo kakovostjo materiala. Tirnice je mogoče razrezati, povezati v svežnje in pripraviti skupaj z ustreznimi sponkami, osnovnimi ploščami in vijačnimi konicami za neposredno namestitev. Pakiranje in nakladanje sta urejena glede na dolžino tirnice, da se zmanjšajo transportna tveganja, medtem ko-navodila za poravnavo, varjenje in rokovanje na kraju samem pomagajo zagotoviti stabilno delovanje tira.Kontaktirajte GNEE RAILda dobite podrobno podporo za dostavo, obdelavo in načrtovanje namestitve po železnici.

